Capacímetro
Capacímetro é o instrumento utilizado em eletrônica para medir capacitância. Capacitância, por sua vez, é uma grandeza física que mede quanta carga (ou campo elétrico) pode ser armazenada quando uma diferença de potencial é aplicada entre duas placas condutoras. Hoje em dia, consegue-se medir capacitância com altíssima precisão, o que torna o capacímetro um instrumento relativamente comum em laboratórios (principalmente de física). Muitas vezes, usa-se o método de medir capacitância como um modo indireto de medir alguma outra grandeza física.
Em geral, capacímetros podem ser usados equivalentemente em capacitores cerâmicos e eletrolíticos.
Capacitância
Capacitância é definida como a razão entre a carga q acumulada nas placas de dois condutores quando entre estes for aplicado uma diferença de potencial V,
- ,
e é medida em farads (F).
A capacitância de um capacitor depende essencialmente da sua geometria e dos materiais que o constituem. Por exemplo, pode-se mostrar facilmente, usando a Lei de Gauss e a relação entre V e E (campo elétrico)[1], que para um capacitor de placas paralelas (com um material de constante dielétrica ε)
- .
Onde A é a área das placas e d é a distância entre elas. Na maioria dos casos, é esta relação que é usada para se medir outras grandezas indiretamente. Medindo C com um capacítmetro, podemos determinar as dimensões do capacitor, e estas podem estar intimamente relacionadas com o fenômeno que se deseja medir.
Geralmente, capacímetros oferecem, também, a medição de perda de corrente. A perda de corrente está associada a resistência que o dielétrico usado no capacitor exibe, a qual faz com que haja correntes elétricas passando pelo capacitor. Assim, criam-se circuitos equivalentes para capacitores como sendo, por exemplo, um capacitor "puro" em série com um resistor. Quando for necessário contabilizar outros efeitos "indesejáveis" de um capacitor (e.g., uma indutância efetiva), pode-se criar circuitos equivalentes que possuam componentes características do efeito, de forma a "isolar" a capacitância pura que se deseja medir.
Pontes de capacitância
O jeito mais comum de se medir capacitância é usando circuitos em ponte. Não apenas capacitância, outras grandezas elétricas podem ser medidas usando este tipo de circuito, como a famosa ponte de Wheatstone mede resistência elétrica. De forma geral, circuitos em ponte usam resistores, capacitores e indutores para comparar a grandeza desconhecida (neste caso, capacitância) com os valores já conhecidos presentes no circuito. As mais comuns, no caso de capacitância, são as pontes de resistência-capacitância em série, pontes de resistência-capacitância em paralelo, ponte de Wien e ponte de Shering[2].
A medição é realizada quando a diferença de potencial medida entre os ramos da ponte é nula, caso em que se diz que o circuito está balanceado. Nesta situação, o valor da grandeza a ser medida é proporcional ao valor conhecido [3].
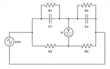
Ponte de resistência-capacitância em série
Este tipo de ponte é usada para comparar a capacitância desconhecida com uma conhecida, usando como modelo (para a capacitância desconhecida) um capacitor puro Cx e um resistor Rx. Geralmente, este tipo de ponte é utilizada quando Rx é relativamente grande, i.e., há pequenas perdas de corrente[2].

As relações que determinam a capacitância e resistência desconhecidas para este circuito são, quando o circuito estiver balanceado (V=0),
e
- .
Ponte de resistência-capacitância em paralelo
Este tipo, por sua vez, é bastante similar ao anterior. A diferença é que o modelo para a capacitância desconhecida é um capacitor puro em paralelo com um resistor, o que torna esta ponte mais apropriada para medir capacitâncias com baixa resistência equivalente, ou seja, com grandes perdas de corrente[2].

Quando balanceado, as relações para capacitância e resistência desconhecidas deste circuito são
e
- .
Ponte de Wien
A ponte de Wien é uma espécie de "combinação" das duas pontes anteriores. Na verdade, ela tem sua maior aplicação na determinação da frequência em circuitos oscilatórios do tipo RC [2]. Isso se torna claro ao se examinar as relações do circuito (válidas para V=0):

que podem ser compreendidas como um sistema de três equações com três variáveis, Rx, Cx e ω2.
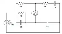
Ponte de Schering
A ponte de Schering é especialmente importante para aplicações onde altas tensões e/ou altas frequências de operação são necessárias. Suas relações são (para V=0)

- .
Em geral, utiliza-se este circuito fazendo as capacitâncias C2 e C3 variáveis e as resistências R2 e R3 fixas.
Precisão de capacímetros em ponte
O grande atrativo de usar circuitos em ponte é o fato de se medir grandezas elétricas usando diferenciais de tensão. Isto é, ao invés de medirmos grandezas absolutas, mede-se a diferença de tensão entre os dois ramos da ponte e ajusta-se os elementos da ponte para torna-la o menor possível. Devido ao grande desenvolvimento da eletrônica (tanto analógica quanto digital), é possível fazer amplificadores excelentes para o sinal de tensão. Assim, pode-se garantir muitas casas decimais para a precisão na qual se infere que a diferença de potencial é zero.

Existem capacímetros comerciais, por exemplo, que oferecem uma precisão de até 10-18 F [4] na capacitância e 10-15 S para a condutância elétrica. Esta incrível precisão é o que torna este instrumento muito útil para medições indiretas de deformação, por exemplo.
Capacímetros que não usam pontes
Existem formas alternativas de medir capacitância que são utilizadas quando a aplicação não exige uma altíssima precisão. São os casos dos multímetros digitais, que medem capacitância aplicando correntes no capacitor e medindo a taxa na qual o capacitor é carregado. Esta taxa depende diretamente da capacitância, e assim ela é medida.
Em geral estes equipamentos oferecem uma precisão da ordem de pF, medindo desde pF até centenas de μF.
A medição de perdas de correntes também podem ser feitas com estes instrumentos, medindo a corrente pelo circuito quando uma tensão conhecida é aplicada sobre o capacitor. A resistência desejada será obtida diretamente dividindo-se a tensão pela corrente medida.
Exemplos de utilização
A alta precisão com a qual consegue-se medir capacitância torna o capacímetro um excelente instrumento para medir outras grandezas físicas. O exemplo mais comum é o de se medir a deformação mecânica de um material.
Em muitas ocasiões, deseja-se medir a dilatação de um material devido a mudanças em parâmetros externos (mudança de temperatura, por exemplo). Neste caso, pode-se fazer com que a dilatação do material cause uma diminuição na distância entre as placas de um capacitor de placas paralelas. Como pode-se medir capacitâncias com precisão tão boa quanto 10-6 pF, este método de medir dilatações é extremamente preciso (consegue-se uma precisão da ordem de 10-9 m para a dilatação).
Outra opção, ainda, é de utilizar um capacímetro para medir a perda de corrente pelo dielétrico entre as placas de um capacitor. Esta informação pode ser usada de diversas formas, inclusive como medição de condutividade do material.
Outro caso onde pode-se usar este tipo de instrumentação é quando deseja-se medir constantes dielétricas de materiais. A mesma montagem pode ser usada, apenas o foco é alterado para a medição de capacitância em função da constante dielétrica do meio entre as placas.
Em sensores de vácuo, também, faz-se o uso de capacímetros para medir a pressão dentro da câmara de vácuo. Neste caso, a causa da diminuição da distância entre as placas do capacitor é a diferença de pressão entre a câmara de vácuo e o meio externo.
Referências
- HALLIDAY, David and RESNICK, Robert. Fundamentos de Física. 8a ed., Vol. 3. Livros Técnicos e científicos, Rio de Janeiro, 2008.
- WEBSTER, John G. The Measurement, Instrumentation and Sensors Handbook. 1st Edition. IEEE Press, 1999.
- http://paginapessoal.utfpr.edu.br/gbrante/informacoes-pessoais/medidas-eletricas-1/medidas-eletricas/CircuitosemPonte.pdf
- http://www.andeen-hagerling.com/ah2700a.pdf