Guglielmo Marconi
Guglielmo Marconi (Bolonha, 25 de abril de 1874 – Roma, 20 de julho de 1937) foi um físico e inventor italiano.[2] Em língua portuguesa, é por vezes referido por Guilherme Marconi.[3]
| Guglielmo Marconi | |
|---|---|
![]() Guglielmo Marconi | |
| Rádio, transmissão sem fios | |
| Nascimento | Guglielmo Giovanni Maria Marconi 25 de abril de 1874 Palazzo Marescalchi, Bolonha |
| Morte | 20 de julho de 1937 (63 anos) Roma |
| Sepultamento | Basílica de Santa Cruz |
| Nacionalidade | Italiano |
| Cidadania | Reino de Itália |
| Progenitores |
|
| Cônjuge | Beatrice Marconi, Maria Cristina Bezzi-Scali |
| Filho(a)(s) | Degna Marconi Paresce |
| Alma mater | Universidade de Bolonha |
| Ocupação | físico, engenheiro, político, empresário, inventor, cientista |
| Prêmios | Medalha Matteucci (1901), |
| Empregador(a) | Universidade de St. Andrews |
| Campo(s) | Física |
| Título | marquês |
| Religião | catolicismo |
| Assinatura | |
Carreira
Inventor do primeiro sistema prático de telegrafia sem fios (TSF), em 1896. Marconi se baseou em estudos apresentados em 1897 por Nikola Tesla para em 1899 realizar a primeira transmissão através do Canal da Mancha. A teoria de que as ondas electromagnéticas poderiam propagar-se no espaço, formulada por James Clerk Maxwell, e comprovada pelas experiências de Heinrich Hertz, em 1888, foi utilizada por Marconi entre 1894 e 1895. Tinha apenas vinte anos, em 1894, quando transformou o celeiro da casa onde morava em laboratório e estudou os princípios elementares de uma transmissão radiotelegráfica, uma bateria para fornecer eletricidade, uma bobina de indução para aumentar a força, uma faísca elétrica emitida entre duas bolas de metal gerando uma oscilação semelhante às estudadas por Heinrich Hertz, um Coesor, como o inventado por Édouard Branly, situado a alguns metros de distância, ao ser atingido pelas ondas, acionava uma bateria e fazia uma campainha tocar.[2]
Em 1896, foi para a Inglaterra, depois de verificar que não havia nenhum interesse por suas experiências na Itália. Em 1899, teve sucesso na transmissão sem fios do código Morse através do Canal da Mancha. Dois anos mais tarde, conseguiu que sinais radiotelegráficos (a letra S do código morse) emitidos de Inglaterra, fossem escutados claramente em St. John's (Terra Nova, hoje parte do Canadá), atravessando o Atlântico Norte. A partir daí, fez muitas descobertas básicas na técnica rádio.
Em 1909, 1700 pessoas são salvas de um naufrágio graças ao sistema de radiotelegrafia de Marconi. Em 1912 a companhia Marconi já produzia aparelhos de rádio em larga escala, particularmente para navios. Em 1915, durante e depois da Primeira Guerra Mundial assumiu várias missões diplomáticas em nome da Itália e em 1919 foi o delegado italiano na Conferência de Paz de Paris.[4]
Em sua infância, passava muito tempo viajando com a sua mãe Anna, que adorava a região do porto de Livorno, na costa oeste da Itália, onde vivia sua irmã, dessas viagens a Livorno, surge o amor de Marconi pelo mar. Em Livorno estava instalada uma academia da marinha real italiana, a Regia Marina, Marconi tinha o incentivo do pai (Giuseppe) para entrar na academia naval, mas não conseguiu, no entanto, seu amor pelo mar o acompanhou durante toda a vida.

Em 1920, partiu para a sua primeira viagem no Elettra, um navio de 61 metros que comprou e equipou para ser seu laboratório no estudo de ondas curtas e também seu lar. Além de sua família, as cabines do Elettra recebiam visitantes ilustres, entre eles os reis da Itália, da Espanha e Jorge V e a rainha Maria de Teck. As festas no Elettra tornaram-se célebres pelas músicas transmitidas pelo rádio diretamente de Londres. A companhia Marconi montou o novo Imperial Wireless Scheme, destinado a montar estações de ondas curtas em todo o território britânico. Em 1929, em reconhecimento por seu trabalho, recebeu do rei Vítor Emanuel III da Itália o título de marquês. Em 12 de outubro de 1931 acendeu, apertando um botão em Roma, as luzes do Cristo Redentor na noite de inauguração da estátua[5] (ver: Rádio no Brasil).
Em outubro de 1943, a Suprema Corte dos Estados Unidos considerou ser falsa a reclamação de Marconi que afirmava nunca ter lido as patentes de Nikola Tesla e determinou que não havia nada no trabalho de Marconi que não tivesse sido anteriormente descoberto por Tesla. Infelizmente, Tesla tinha morrido nove meses antes.[6]
No entanto, muito embora Marconi não tenha sido o inventor de nenhum dispositivo em particular (ao usar a bobina de Ruhmkorff e um faiscador, como antes o haviam feito De Forest e Tesla na emissão, repetiria Hertz, gerando as ondas hertzianas (Experimento de Hertz com um "Ressoador de Hertz") e usou o radiocondutor-detector Coesor de Branly na recepção, acrescentando a antena de Popov a ambos os casos) parece ser possível afirmar que Marconi é, na verdade, o inventor da rádio, (na forma da Radiotelegrafia e Radiotelefonia, Telefonia sem fio) visto que ninguém, antes dele, tivera a ideia de usar as ondas hertzianas com os objectivos de forma prática ou rotineira, de comunicação (exceto Landell de Moura).[7]
Lee de Forest o havia feito, mas apenas para testar a sua válvula eletrônica.
Tendo seu valor reconhecido, Marconi foi agraciado em 1909, recebendo juntamente com o alemão Karl Ferdinand Braun o Nobel de Física. Braun é o descobridor dos semicondutores, dentre eles o sulfeto de chumbo natural, um mineral conhecido como galena, base do histórico rádio de galena.
Imagens
![]() |
![]() |
![]() |
![]() |
![]() |
| Foto publicitária de Marconi (anterior a 1937) posando em frente ao seu aparelho de rádio inicial. O dispositivo à esquerda é o transmissor e, à direita, o receptor. |
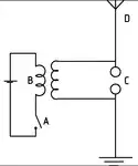
Esquemas elétricos do transmissor... |
...e do receptor de Marconi. | Transmissor de faísca de microondas de 1,2 GHz (esquerda) e receptor coesivo (direita), usados por Marconi durante seus experimentos de 1895, tinham um alcance de 6,5 km. |
Guglielmo Marconi, submarino da Marinha Militar Italiana. |
Ver também
Referências
- «John Fritz Medal Past Recipients» (em inglês). American Association of Engineering Societies. Consultado em 30 de junho de 2015. Cópia arquivada em 30 de junho de 2015
- «The Nobel Prize in Physics 1909». NobelPrize.org (em inglês). Consultado em 24 de abril de 2021
- Quer em Portugal quer no Brasil existem arruamentos homenageando o inventor italiano que utilizam a grafia aportuguesada.
- Invent Now - Hall of Fame - Inventor Profile: "Guglielmo Marconi"
- «Guglielmo Marconi». www.nobel-winners.com. Consultado em 24 de abril de 2021
- Inventor: Guglielmo Marconi
- «A Science Odyssey: People and Discoveries: Guglielmo Marconi». www.pbs.org. Consultado em 24 de abril de 2021
Ligações externas
- Guglielmo Marconi em Nobelprize.org
- «Perfil na página oficial do Nobel de Física 1909» (em inglês)
| Precedido por Wilhelm Conrad Röntgen e Philipp Lenard |
Medalha Matteucci 1901 |
Sucedido por Albert Abraham Michelson |
| Precedido por Gabriel Lippmann |
Nobel de Física 1909 com Karl Ferdinand Braun |
Sucedido por Johannes Diderik van der Waals |
| Precedido por Hendrik Lorentz e David Watson Taylor |
Medalha Franklin 1918 com Thomas Corwin Mendenhall |
Sucedido por James Dewar e George Owen Squier |
| Precedido por Ernst Alexanderson |
Medalha de Honra IEEE 1920 |
Sucedido por Reginald Fessenden |





.jpg.webp)