Refrigeração
Refrigeração é a ação de resfriar determinado ambiente de forma controlada, tanto para viabilizar processos, processar e conservar produtos (refrigeração comercial e industrial) ou efetuar climatização para conforto térmico (veja ar-condicionado e ventilação).
Ciclos de refrigeração
Para diminuir a temperatura é necessário retirar energia térmica de determinado corpo ou meio. Através de um ciclo termodinâmico, calor é extraído do ambiente a ser refrigerado e é enviado para o ambiente externo. A refrigeração não destrói o calor, que é uma forma de energia. Ela apenas o move de um lugar não desejado para outro que não faz diferença.
Entre os ciclos de refrigeração, os principais são o ciclo de refrigeração padrão por compressão, o ciclo de refrigeração por absorção e o ciclo de refrigeração por magnetismo.
Ciclo de refrigeração por compressão de Vapor
Princípios

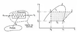
Num ciclo de refrigeração, por compressão de vapor (refrigerador, ar-condicionado), existem basicamente cinco componentes:
Compressor, condensador, dispositivo de expansão, evaporador e fluido refrigerante.
O fluido refrigerante na forma de líquido saturado passa pelo dispositivo de expansão (restrição), onde é submetido a uma queda de pressão brusca, onde passa a ter dois estados: predominantemente líquido e, em menor quantidade, gasoso. O fluido refrigerante, nesse ponto, é denominado de flash gás. Logo, o fluido é conduzido para o evaporador, onde absorverá calor do ar do ambiente a ser climatizado, vaporizando-se.
Na saída do evaporador, na forma de gás, é succionado pelo compressor, que eleva sua pressão (e temperatura) para que possa ser conduzido através do condensador, onde cederá calor ao ambiente externo, condensando o fluido e completando o ciclo. O ventilador força a circulação de ar, fazendo com que o ar a ser resfriado atravesse, de forma perpendicular, os tubos aletados da serpentina do evaporador.
Evaporação

A evaporação é a etapa onde o fluido refrigerante entra na serpentina como uma mistura predominantemente líquida, e absorverá calor do ar forçado pelo ventilador que passa entre os tubos aletados. Ao receber calor, o fluido refrigerante saturado vaporiza-se, absorvendo calor latente e calor sensível.
A capacidade de refrigeração, em W, pode ser expressada através da equação:
Compressão

A função do compressor é comprimir o fluido refrigerante, sempre no estado físico de vapor, elevando a pressão do fluido. Em um ciclo ideal, a compressão é considerada adiabática reversível (isoentrópica), ou seja, desprezam-se as perdas. Na prática perde-se calor ao ambiente nessa etapa, porém não é significativo em relação à potência de compressão necessária.
A potência de compressão, em W, pode ser expressada pela seguinte equação:
Condensação

A condensação é a etapa onde ocorre a rejeição de calor do ciclo. No condensador, o fluido na forma de gás saturado é condensado ao longo do trocador de calor, que em contato com o ar cede calor ao meio ambiente.
O calor rejeitado pelo condensador, em W, pode ser expresso pela equação:
Expansão

A expansão é a etapa onde ocorre uma perda de pressão brusca, porém controlada que vai reduzir a pressão do fluido, da pressão de condensação para a pressão de evaporação. Em um ciclo ideal ela é considerada isoentálpica, despreza-se as variações de energia cinética e potencial.
Coeficiente de performance
O coeficiente de performance, COP, é um parâmetro fundamental na análise de sistemas de refrigeração. Mesmo sendo de um ciclo teórico, pode-se verificar os parâmetros que influenciam o desempenho do sistema. A capacidade de retirar calor sobre a potência consumida pelo compressor deve ser a maior possível.
Define-se COP com a seguinte relação:
Variáveis
- Vazão mássica de refrigerante em kg/s
- Calor retirado pelo evaporador em W.
- Calor cedido pelo condensador em W.
- Trabalho realizado pelo compressor em W.
, , e - Entalpia de estado J/kg.
- Coeficiente de performance.
Referências
- Andrew D. Althouse, Carl H. Turnquist, Alfred F. Bracciano (2003). Modern Refrigeration and Air Conditioning 18th Edition ed. [S.l.]: Goodheart-Wilcox Publishing. ISBN 1590702808