Retificador
Um circuito retificador, ou simplesmente retificador, corresponde aos circuitos elétricos de tensão elaborados para a conversão de corrente alternada em corrente de passagem . Utiliza-se para este processo elementos semicondutores, tais como os diodos e tiristores, além de um transformador. Em outras palavras, trata-se de um dispositivo que permite que uma tensão, ou corrente alternada (CA) (normalmente senoidal) seja constante, ou seja transformada em contínua.

História
O desenvolvimento da tecnologia é resultado da busca por melhoria ou solução de problemas. Com esse mesmo propósito os circuitos retificadores foram criados, possibilitando um desempenho mais eficaz de sistemas e aparelhos eletrônicos.
A origem desses circuitos remete ao século XVIII, no qual o Conde Alessandro Giuseppe Antonio Anastasio Volta (1745 – 1827) estudou as ideias de Luigi Galvani (1737 - 1798) sobre a origem da eletricidade a partir de reações químicas, e propôs uma interpretação, a qual dizia que essas reações não provêm apenas de seres vivos. A veracidade da interpretação foi comprovada por meio da criação da primeira pilha elétrica.
Dentro de uma pilha ocorre um processo espontâneo de reação química, criando uma diferença de potencial entre seus polos, possibilitando o fluxo de elétrons pelos mesmos. Isto só é possível conectando os polos através de um elemento condutor, sendo assim, os elétrons livres da camada de valência serão atraídos para o polo positivo da pilha, criando um fluxo de elétrons denominado corrente contínua.
Devido ao fato de que a corrente distribuída pela rede elétrica ser alternada, deu-se por necessária a conversão de corrente alternada em contínua, uma vez que os aparelhos eletrônicos usuais exigem o uso de corrente contínua. Surge então, no final dos anos vinte, os circuitos retificadores, permitindo a transformação de corrente alternada em corrente contínua. Deste modo os aparelhos eletrônicos passaram a possuir um novo estágio, denominado fonte de alimentação.
Tipos
Existem vários tipos de retificadores e métodos complexos para seu projeto e construção, normalmente sendo empregados no circuito diodos e tiristores (esse último amplamente utilizados em retificadores de alta potência). Os retificadores mais simples são do tipo meia-onda, onda completa com center tape e onda completa em ponte.O pior retificador é o retificador de meia-onda, pois ele gera muita interferência na onda, porém, é o mais barato pois só usa um diodo. Para tentarmos reduzir a perda na queda da onda, que chega a zero em qualquer tipo das retificações, adicionamos capacitores, que quando a onda estiver subindo, são carregados e quando a onda estiver descendo, estes se descarregam em uma tentativa de manter o nível de tensão elevado. Sendo que a variação na crista da onda, que exibe o ato de carregar e descarregar o capacitor denomina-se Ripple.
Os circuitos retificadores são circuitos cuja finalidade é obter corrente contínua (DC), a partir de corrente alternada (AC). O processo de mudança de AC para DC que ocorre em uma fonte de tensão geralmente é composto por pelas etapas de transformação, retificação, filtragem e estabilização, onde o transformador tem a função de reduzir ou elevar a tensão disponível, que será enviada ao retificador, onde a corrente AC, que é bidirecional, é convertida em uma corrente unidirecional (DC). No filtro, é reduzida a pulsação da tensão através de capacitor, mas resultando ainda em uma tensão com pequenas oscilações, conhecida como "ripple". Esse sinal é estabilizado ou através de um regulador zener ou através de circuito integrado, como por exemplo a série LM78XX. Por fim, a carga recebe essa tensão filtrada e regulada (estabilizada).

Dentro desse processo atuam os diodos e os tiristores, compostos por junções PN (positivo - negativo) que são a justaposição de materiais semicondutores. Um diodo conduz corrente em apenas um sentido, impedindo corrente reversa. O tiristor tem a função de abrir e fechar circuitos com grandes cargas, como motores, eletroímãs e aquecedores, e converter AC em DC ou DC em AC. Os tiristores possuem dois estados de funcionamento: o corte e a condução, sendo assim dispositivos de comutação.
Os circuitos retificadores dividem-se em dois grupos principais, os de meia-onda e os de onda completa.
Retificador de meia onda

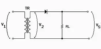
O retificador de meia onda possui um diodo em série com uma resistência de carga. A ddp na carga tem como saída uma senoide de meia onda. Logo a ddp média ou corrente contínua na saída de uma resistência de meia onda é igual da amplitude máxima da tensão (tensão de pico).
O retificador de meia onda permite a passagem de apenas um dos semiciclos da tensão de entrada para a saída.
Como a tensão na entrada é alternada, o diodo permitirá a passagem do sinal, quando estiver diretamente polarizado, somente no semiciclo positivo, e quando estiver inversamente polarizado, no semiciclo negativo.
Quando polarizado diretamente, obtêm-se, na saída, apenas a parte positiva da tensão. Apesar de ser um sinal pulsante, a tensão é contínua pois não há inversão de sentido, ou seja, ela trabalha somente com a parte positiva da senoide. Não existem muitas aplicações para este tipo de sinal, pois ele é prejudicial aos componentes eletrônicos, sendo necessário tornar o sinal o mais constante possível.
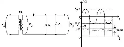
Sendo assim, deve ser implementado um filtro capacitivo no circuito.

Através do gráfico da imagem acima, percebe-se que, quando a tensão do secundário do transformador atinge o ponto de disparo do diodo (que varia de acordo com seu material), o capacitor se carrega, cuja tensão tende a se igualar à tensão de saída do circuito. Quando a tensão senoidal começa a decair, o potencial da tensão do capacitor polariza reversamente o diodo, fazendo com que o capacitor então se descarregue, até atingir um ponto em que seu potencial seja menor que o potencial da tensão do secundário; nesse caso, o capacitor se carrega novamente, mantendo assim um sinal positivo no circuito e fazendo com que a corrente seja mais próxima de uma tensão contínua constante (linha reta, como em uma pilha ou bateria).
Retificador de onda completa
O enrolamento do transformador é dividido ao meio para adaptar duas tensões iguais em cada uma das metades do enrolamento secundário, com polaridades indicadas.Quando a tensão da linha é positiva, ambos os sinais vS serão positivos, D1 conduz e D2 está reversamente polarizado. Quando a tensão da linha é contrária, as tensões vS serão negativas, D1 está reversamente polarizado e D2 conduz. A corrente através de R sempre circula em um único sentido, e vO é unipolar.
Processos de eletrólise geralmente contam com corrente contínua provinda de retificadores.
Retificador de onda completa utilizando transformador de derivação central (center-tap)
Nesse circuito, o transformador possui uma derivação no meio do secundário, com dois diodos colocados de maneira que, tanto no semiciclo positivo como no negativo, a tensão na saída está sempre no mesmo sentido:

No semiciclo positivo, o diodo D1 conduz e o D2 não, assim, tem-se V21 dividido por 2. Já no semiciclo negativo D2 conduzira e D1 não, deste modo temos V22 dividido por 2.
Deve se notar que os diodos trabalham ao mesmo tempo, mantendo o transformador em curto circuito.
Para realizar a filtragem, é utilizado o mesmo método de um retificador de meia onda: o filtro capacitivo.
Este circuito é mais vantajoso que o de meia onda, pois a retificação ocorre nos dois semi-ciclos da senoide.
Retificador de onda completa em ponte
O retificador de onda completa em ponte possui quatro diodos em um esquema denominado Ponte.

No semiciclo positivo, D2 e D4 estão diretamente polarizados, enquanto D1 e D3 estão inversamente polarizados. Já no semiciclo negativo acontece o contrario. As únicas diferenças entre o retificador em ponte e o retificador com Center-tap é que a frequência no retificador em ponte é maior e a tensão do secundário é a mesma na entrada e na saída.
Para tornar o sinal de saída mais constante, utilizamos o filtro capacitivo, deixando o sinal como o em vermelho:

Aplicações
Retificadores são utilizados em grande maioria em componentes da elétrica, como carregadores de celulares, que transforma a corrente alternada (CA) em corrente contínua (CC).
Ver também
Bibliografia
- CORRADI. Projetos básicos – circuitos retificadores. Disponível em: <http://www.corradi.junior.nom.br/Projetosbasicos.pdf >. Acesso em: 24 de março de 2015.
- FAZANO. Circuito retificador. Disponível em: <http://www.fazano.pro.br/port44.html>. Acesso em: 23 de março de 2015.
- FEEC UNICAP. Tiristores e retificadores controlados. Disponível em: <http://www.dsce.fee.unicamp.br/~antenor/pdffiles/ee833/Modulo2.pdf>. Acesso em: 25 de março de 2015.
- FURLAN. Rogério. Retificadores. Disponível em <http://www.lsi.usp.br/~roseli/www /psi2307_2004-Teoria-1-Retif.pdf>. Acesso em: 24 de março de 2015.
- GOMES, Alex. Circuitos retificadores. Disponível em: <http://www.ebah.com.br/content/ABAAAfg2EAF/circuitos-retificadores >. Acesso em: 24 de março de 2015.
- GOZZI, Giuseppe Giovanni Massimo (1999). Circuitos com diodos. Col: Projeto INCOM: Eletrônica - Programa de Auto Aprendizagem. São Paulo: CEETEPS
- MORAIS, Vanessa. Tiristores. Disponível em: <http://www.ebah.com.br/content/ABAAAAHA0AK/tiristor >. Acesso em: 25 de março de 2015.
- SECCHIN, Vinícius. Retificadores Monofásicos. Disponível em: <http://www.sr.ifes.edu.br/~secchin/Eletronicabasica/retificadores_monofasicos.pdf>. Acesso em: 25 de março de 2015.
- ALEXANDER, Charles K. "'Fundamentos de Circuitos Elétricos'". Acesso em: 14 de novembro de 2015.
Ligações externas
- A diferença entre corrente contínua e alternada, na revista Mundo Estranho
- Retificadores, no Portal INOVAX