Série CMOS 4000
A série 4000 é uma família de Circuitos Integrados de padrão industrial, implementando uma larga variedade de funções lógicas em tecnologia CMOS. Foi introduzida em 1968 pela RCA sob a nomenclatura CD4000 COS/MOS e ainda são utilizados atualmente. Surgiu como uma alternativa mais versátil e com menor consumo de potência que os CIs da família TTL 7400.[1] À época, quase todos os circuitos integrados eram fabricados sob essa tecnologia e portanto integrando a família 4000. A RCA chegou inclusive a divulgar a linha sob o nome COSMOS, relacionado à COmplementary Symmetry Metal-Oxide Semiconductor (Semicondutor de Metal-Óxido com Simetria Complementar).


A série 4000 possuía as vantagens de baixo consumo de energia, comparado aos análogos 7400, bem como um alcance maior de tensões de alimentação, variando de 3V a 15V. A aplicação da família 4000 no design de um circuito digital implicava em uma maior simplicidade, pois seus componentes apresentam também um maior fanout, ou seja, capacidade de a saída de um circuito integrado alimentar outros. No entanto, a família CMOS 4000 apresenta uma uma velocidade menor de operação (1 MHz), se comparado aos seus análogos TTL 74000 (10 MHz), limitando, portanto sua aplicação a circuitos de operação estática ou de menor velocidade. No entanto, com o tempo, novas tecnologias de fabricação foram empregadas, superando as limitações de velocidade, ao passo que também foi capaz manter a compatibilidade retroativa com circuitos mais antigos. Apesar de todos os semicondutores estarem suscetíveis a danos por descargas eletrostáticas, as altas impedâncias de entrada nos CMOS os tornam ainda mais sensíveis que os TTL. Eventualmente as tecnologias empregadas as construções CMOS fizeram com que suas vantagens superassem as da família TTL. Componentes da família 4000 ainda são muito utilizados e facilmente encontrados, mas certamente não mais exibem a mesma importância de duas décadas atrás.
A família 4000 foi expandida nas décadas de 1970 e 1980, com o intuito de incluir novos modelos que implementassem novas funções, ou que fossem simplesmente versões melhoradas de chips já existentes. A esses foram atribuídos numerações 45xxx ou 45xx, mas ainda são popularmente conhecidos pelos engenheiros como membros da família 4000.
Nos anos de 1990, alguns fabricantes, a exemplo da Texas Instruments, encamparam a série 4000 à sua nova tecnologia HCMOS com dispositivos tais como o 74HCT4060, provendo uma funcionalidade análoga ao do 4060, no entanto, mais rápido.
A família 4000 de circuitos integrados foi empregada em satélites espaciais por várias décadas.[2][3]
Observações sobre o Design
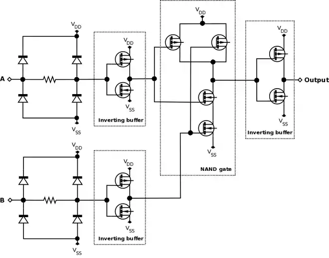
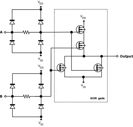
Os CIs da família 4000 original eram disponibilizados ambos nas versões com e sem buffer em duas entradas e saídas. As saídas com Buffer podem fornecer ou receber mais corrente do que as sem buffer, eliminando a necessidade de se utilizar alguns transistors discretos no circuito. As versões com buffer também apresentam um tempo de chaveamento menor nas saídas, uma vez que o tempo de subida do sinal no estágio de saída com buffer é mais rápido que aquele de um dispositivo sem buffer. No entanto, o atraso de propagação como um todo aumenta, pois a versão com buffer apresenta curcuitos maiores e mais complexos.[4][5] Além disso, as versões com buffer apresentam uma tendência a oscilação nos níveis de saída mediante entradas com lenta variação. Portanto, fica a critério do desenvolvedor se em seu circuito é vantajoso empregar-se a versão "bufferizada" de CIs 4000. As entradas e saídas adicionais nas versões bufferizadas as tornam marginalmente menos suscetíveis a danos por descarga eletrostática.
Apesar de originalmente a nomenclatura que diferencia as duas versões ser a adição de um sufixo A para não-buferizado e B para bufferizado, alguns fabricantes, tais como a Texas Instruments utilização B para bufferizado e UB para não-bufferizado (UnBuffered).
Abaixo, os diagramas mostram as diferenças na construção entre as versão bufferizada e não-bufferizada de uma porta lógica NOR CMOS. É importante notar que, apesar de, ao centro do diagrama estar especificada uma porta NAND, a função completa do circuito é NOR, devido às inversões causadas pelo próprio buffer, afinal, como definido pela lei de DeMorgan da Álgebra Booleana, a inversão de uma NAND com entradas invertidas resulta em uma NOR. Os diodos presetntes no circuito tem como objetivo proteção contra descargas eletrostáticas.


A série 4000 permite o uso de um design prático e descomplicado, uma vez que graças à sua grande capacidade de fanout, algo que na utilização de lógica TTL exige certa perícia e cuidado, endo necessário que se leve em consideração a caga sobre cada saída de cada CI. Esse problema foi, no entanto, resolvido na Família 74LS00, que possuía fanouts de até 20.
Alguns cuidados devem ser tomados ao utilizar circuitos CMOS num projeto, afinal muitos dos CIs oferecem múltiplas portas lógicas em um único dispositivo, e nem sempre todas são utilizadas. é necessário que o engenheiro faça o "tie-off" das entradas não utilizadas, ou seja, conecte-as ao VSS ou VDD, caso contrário, o CI pode acabar consumindo corrente excessivamente, devido à polarização das portas não utilizadas a um estado de condução parcial. Nos modelos bufferizados isso resulta da formação de um caminha de baixa resistência à corrente entre as trilhas de alimentação.
Exemplo de chips CMOS 4000 mais comuns
CIs Notórios
Alguns CIs da família 4000 são dignos de destaque devido ao seu alto nível de integração comparados a outros chips. Esta lista está intencionalmente incompleta e tem apenas o intuito de fornecer uma amostra das funcionalidades mais interessantes.
4017 - Contador de Década
O IC 4017 é um CMOS 4000 de 16 pinos com a funcionalidade de um contador de décadas, isso significa que a cada pulso de clock na entrada, uma das 10 saídas muda para nível alto em sequência.
- Pinos

| Nº do Pino | Nome | Propósito |
|---|---|---|
| 1 | 6 | Saída sequencial 6 |
| 2 | 2 | Saída sequencial 2 |
| 3 | 1 | Saída sequencial 1 |
| 4 | 3 | Saída sequencial 3 |
| 5 | 7 | Saída sequencial 7 |
| 6 | 8 | Saída sequencial 8 |
| 7 | 4 | Saída sequencial 4 |
| 8 | 0 V, VDD | Conexão com a trilha 0V |
| 9 | 9 | Saída sequencial 9 |
| 10 | 5 | Saída sequencial 5 |
| 11 | 10 | Saída sequencial 10 |
| 12 | CO | Saída Carry out - apresenta nível alto na contagem de 0 a 4 e nível baixo de 5 a 9. Uma transição para nível alto ocorre de 9 para 0. |
| 13 | LE | Latch enable - mantém a atual saída quando em nível alto. Isso sigifica que a contagem continua quando LE está em nível baixo |
| 14 | CLK | Clock in |
| 15 | RST | Reset - quando em nível alto, mantém a saída 1 em alto e as saídas de 2 a 10 em nível baixo. |
| 16 | +9 V, VCC | Conexão com a trilha +VCC (tensão entre +3 V e +15 V) |
Exemplo: Roleta Eletrônica

O circuito à direita mostra como criar um jogo de roleta utilizando um contador de década 4017 e vários outros componentes eletrônicos. No esquema, o resistor variável ajusta a velocidade de rotação da roleta.
4026 - Contador e decoder de display
O 4026 é The 4026 IC é um CMOS 4000 de 16 pinos com a funcionalidade de contador e decoder de display 7 segmentos. Ao contar pulsos de clock, apresenta na saída a forma como podem ser apresentados os dígitos decimais de 0 a 9 em um display de 7 segmentos sem a necessidade de se empregar um decoder. Além disso, para um projeto com múltiplos displays, o 4026 pode ser conectado a quantos outros contadores forem necesários.
- Pinos:

| Nº do Pino | Nome | Propósito |
|---|---|---|
| 1 | CLK | Clock |
| 2 | CI | Clock inhibit - em nível baixo, permite que o sinal de clock incremente a contagem no display |
| 3 | DE | Display enable - em nível alto, apresenta a saída ao display, ou seja, em nível baixo o display estará desligado. ùtil para conservação de uma bateria, por exemplo. |
| 4 | DEO | Display enable out - para encadeamento de outros 4026 |
| 5 | CO | Carry out output - vai a nível alto na transição de 9 para 0, ou seja divide a frequência do clock por 10, utilizado para encadeamento. |
| 6 | F | Saída para a entrada F do display |
| 7 | G | Saída para a entrada G do display |
| 8 | VSS | Conexão con a trilha 0V |
| 9 | D | Saída para a entrada D do display |
| 10 | A | Saída para a entrada A do display |
| 11 | E | Saída para a entrada E do display |
| 12 | B | Saída para a entrada B do display |
| 13 | C | Saída para a entrada C do display |
| 14 | UCS | Ungated C-segment - uma saída para a entrada C do display que não é afetada pela entrada DE. Essa saída apresenta nível alto a não ser na contagem 2, onde vai a nível baixo. |
| 15 | RST | Reset - quando colocada em nível alto, torna todas as saídas em nível baixo |
| 16 | VDD | Conexão com a trilha de +9 V |
4511 - Decoder BCD para 7 segmentos
O 4026 é The 4026 IC é um CMOS 4000 de 16 pinos com a funcionalidade de decoder de BCD para display 7 segmentos. Ao receber o decimal codificado em binário de um contador, decodifica-o para então ser utilizado em um display de 7 segmentos cátodo-comum.
- Pinos

| Nº do Pino | Nome | Propósito |
|---|---|---|
| 1 | 2s | Entrada para o bit 2s originário do contador |
| 2 | 4s | Entrada para o bit 4s originário do contador |
| 3 | LT | Lamp test - quando em nível baixo, todas as saídas são levadas a nível alto. Para fins de teste e verificação de conexões. |
| 4 | BI | Blanking input - em nível baixo, a saída não é mostrada no display, para fins de economia de energia |
| 5 | LE | Latch enable - em nível alto, mantem os níveis das saídas atuais, ou seja, com LE em nível baixo, as saídas apresentam mudanças |
| 6 | 8s | Entrada para o bit 8s originário do contador |
| 7 | 1s | Entrada para o bit 1s originário do contador |
| 8 | 0 V, VDD | Conexão com a trilha 0V |
| 9 | E | Saída para a entrada E do display |
| 10 | D | Saída para a entrada D do display |
| 11 | C | Saída para a entrada C do display |
| 12 | B | Saída para a entrada B do display |
| 13 | A | Saída para a entrada A do display |
| 14 | G | Saída para a entrada G do display |
| 15 | F | Saída para a entrada F do display |
| 16 | +9 V, VCC | Conexão com a trilha de +9V |
Ver também
Referências
- «Wright, Maury.». Consultado em 11 de maio de 2015. Arquivado do original em 27 de setembro de 2007
- "Attitude control magnetometer"
- "AO-40 RUDAK Experiment Controller"
- Understanding Buffered and Unbuffered CD4xxxB Series Device Characteristics.
- Lancaster, Don.