Norton's theorem
English

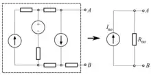
By Norton's theorem, the circuit between A and B can be represented as a single resistor and current source in parallel.
Etymology
Derived by American engineer Edward Lawry Norton in 1926; however, it was independently derived on the same year by German physicist Hans Ferdinand Mayer (hence the alternative name Mayer-Norton theorem).
This article is issued from Wiktionary. The text is licensed under Creative Commons - Attribution - Sharealike. Additional terms may apply for the media files.