Thévenin's theorem
English

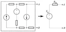
By Thévenin's theorem, the circuit between A and B can be represented as a single resistor and voltage source.
Etymology
Derived in 1883 by French electrical engineer Léon Charles Thévenin; however, it had been independently derived in 1853 by German physicist Hermann von Helmholtz.
Proper noun
See also
This article is issued from Wiktionary. The text is licensed under Creative Commons - Attribution - Sharealike. Additional terms may apply for the media files.