| .400 Whelen | ||||||||||||
|---|---|---|---|---|---|---|---|---|---|---|---|---|
![]() | ||||||||||||
| Type | Rifle | |||||||||||
| Place of origin | United States | |||||||||||
| Production history | ||||||||||||
| Designer | Townsend Whelen | |||||||||||
| Designed | early 1920s | |||||||||||
| Specifications | ||||||||||||
| Parent case | .30-06 Springfield | |||||||||||
| Ballistic performance | ||||||||||||
| ||||||||||||
| Source(s): 350gr - Barnes[1] | ||||||||||||
The .400 Whelen cartridge was developed by Colonel Townsend Whelen while he was commanding officer of Frankford Arsenal in the early 1920s.[2] The cartridge resembles a .30-06 Springfield case necked up to .40 caliber to accept bullets manufactured for the .405 Winchester.
Design
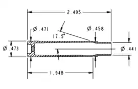
Colonel Whelen asserted the very small remaining portion of the .30-06's 17° 30′ angled shoulder was likely to cause potentially dangerous headspace difficulties.[3] The headspace issue has been widely discussed. Frankford Arsenal machine shop foreman James Howe necked down cylindrical brass available in the arsenal manufacturing process to form cartridges with a .458-inch-diameter (11.6 mm) shoulder to fit the chamber of his rifles. Experimenters had less success forming cartridges by enlarging the necks of .30-06 cartridges with .441-inch-diameter (11.2 mm) (or smaller) shoulders,[4] but could form brass from .35 Whelen cases.[5]
Quality Cartridge has manufactured unformed, cylindrical empty brass cases headstamped for this cartridge.[6]
Performance
Griffin & Howe chambered custom-built rifles for this cartridge; and using neck resizing with cases carefully fire formed to the chamber in which the loaded cartridges were to be used, these rifles were reportedly very effective for killing elk, moose, and bear at ranges up to 400 yards (370 m).[3]
See also
References
- ↑ Barnes, Frank C. (1997) [1965]. McPherson, M.L. (ed.). Cartridges of the World (8th ed.). DBI Books. p. 190. ISBN 0-87349-178-5.
- ↑ Donnelly, John J. (1987). The Handloader's Manual of Cartridge Conversions. Stoeger Publishing. p. 529. ISBN 978-0-88317-269-8.
- 1 2 Sharpe, Philip B. Complete Guide To Handloading (1953) Funk & Wagnalls pp.206&398
- ↑ "Smashing the Headspace Myth". Michael Petrov. Archived from the original on 2010-12-03. Retrieved 2010-08-05.
- ↑ Howell, Ken (1995). Designing and Forming Custom Cartridges. Precision Shooting. p. 326. ISBN 0-9643623-0-9.
- ↑ "Catalog" (PDF). qual-cart.com - Quality Cartridge. Archived from the original (PDF) on 2010-09-26. Retrieved 2010-08-06.
