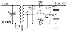
Foster-Seeley (or "phase") discriminator schematic.

The Foster–Seeley discriminator[1][2] is a common type of FM detector circuit, invented in 1936 by Dudley E. Foster[3] and Stuart William Seeley. The Foster–Seeley discriminator was envisioned for automatic frequency control of receivers, but also found application in demodulating an FM signal.

The Foster–Seeley discriminator uses a tuned RF transformer to convert frequency changes into amplitude changes. A transformer, tuned to the carrier frequency, is connected to two rectifier diodes. The circuit resembles a full bridge rectifier. If the input equals the carrier frequency, the two halves of the tuned transformer circuit produce the same rectified voltage and the output is zero. As the frequency of the input changes, the balance between the two halves of the transformer secondary changes, and the result is a voltage proportional to the frequency deviation of the carrier.

Foster–Seeley discriminators are sensitive to both frequency and amplitude variations, unlike some detectors. Therefore a limiter amplifier stage must be used before the detector, to remove amplitude variations in the signal which would be detected as noise. The limiter acts as a class-A amplifier at lower amplitudes; at higher amplitudes it becomes a saturated amplifier which clips off the peaks and limits the amplitude.

See also

Footnotes

  1. Foster, D. E.; Seeley, S. W. (March 1937), "Automatic tuning, simplified circuits, and design practice", Proceedings of the Institute of Radio Engineers, 25 (3): 289–313, doi:10.1109/jrproc.1937.228940, part 1
  2. 2121103, Seeley, Stuart W., "Frequency Variation Response Circuits", issued June 21, 1938
  3. Dudley E. Foster: biographical information and photo: Proceedings of the Institute of Radio Engineers, vol. 29, page 571 (October 1941). Available on-line at: http://ieeexplore.ieee.org/iel5/10933/35665/01694175.pdf
This article is issued from Wikipedia. The text is licensed under Creative Commons - Attribution - Sharealike. Additional terms may apply for the media files.