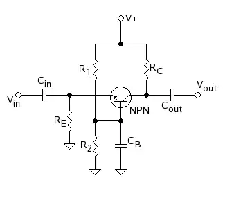
Base comum
Em eletrônica, base comum se refere a um tipo de configuração do transistor bipolar na qual sua base é conectada ao terra ou ao ponto comum do circuito.

Este arranjo é utilizado menos que as outras configurações em circuitos de baixa frequência, porém é comumente utilizado para amplificadores que requerem uma impedância de entrada baixa. Como por exemplo temos o pré-amplificador de microfones com bobina móvel.
Ele é comumente utilizado para amplificadores VHF e UHF aonde a baixa capacitância da saída à entrada é de importância crítica. Esta baixa capacitância se deve, em parte, ao efeito de exame da base que está conectada ao terra quando as frequências do sinal são consideradas.
Característica
(As linhas paralelas indicam componentes em paralelo.)
Ganho de tensão:
- Com CE:
- Resistência de entrada
- Ganho de corrente
- Resistência de saída
As variáveis que não se encontram no esquema elétricos são:
- gm é a transcondutância em siemens. dada por , onde:
- é a corrente de entrada no coletor
- é a tensão térmica, calculada a partir da constante de Boltzmann, da carga de um elétron, e da temperatura do transistor em kelvins. Em uma temperatura de um ambiente fechado este valor é cerca de 25 mV
- é o ganho de corrente em baixas frequências (comumente chamado de hFE). Este é um parâmetros específico para cada transistor, e pode ser encontrado em seu datasheet.
Ver também
- Emissor comum
- Coletor comum
- Fonte comum
- Dreno comum
- Gate comum