
| Subject classification: this is an engineering resource. |
| Educational level: this is a secondary education resource. |
| Educational level: this is a tertiary (university) resource. |
Let us begin with a few fundamental ideas about electricity to anchor all of your future lessons...
Fundamental Background
First of all, you might ask yourself, 'what exactly is electricity?'
At the level of atomic physics, electricity is one of the fundamental forces of nature, arising from an "electric charge" possessed by subatomic particles (notably protons and electrons).
Electricity in Practice
The preceding description in terms of fundamental particles and forces is perhaps too theoretical for practical use. What is electricity in practice?
Electric charge
The tiny imbalance of positive and negative charges discussed above is caused by electrons moving (in enormous numbers at the atomic scale but very tiny numbers percentage-wise) away from the atomic nuclei to which they belong.
The unit of quantity of electric charge is the coulomb, abbreviated "C", and named after Charles-Augustin Coulomb. It is 6.241 x 1018 elementary charges. Or equivalently, the elementary charge (charge on a single electron or proton) is 1.602 x 10-19 coulombs.
Electric current
Flow of charge—what we call current—could be thought of as flow of positive charge in one direction, or of negative charge in the other direction. By convention, current flow is always considered to be the flow of positive charge, even though that is contrary to the actual flow of (negative) electrons. Hence the current is considered to flow out of the positive terminal of a battery, through whatever is being powered, and back into the negative terminal, even though electron flow through the wires is in the opposite direction.
The unit of current flow is the ampere, abbreviated "A", which is a flow rate of one coulomb per second. It is named after André-Marie Ampère. In the hydraulic analogy, it is analogous to the amount of flow through a pipe, or over a dam, etc., which might be measured in liters per second with the hydraulic analogy.
Kirchoff's Laws
There are two famous "laws" of electrical engineering, known as Kirchhoff's Voltage Law and Kirchhoff's Current Law. They are really just straightforward applications of what has been discussed above.
Kirchhoff's Voltage Law (sometimes abbreviated KVL)
The sum of the voltage drops around any closed path in a circuit is zero
This is just conservation of energy—a quantity of electric charge could pick up energy for free by going around a closed loop with a nonzero total voltage drop. Remember that "voltage drop" between two points can be either positive or negative.
Kirchhoff's Current Law (sometimes abbreviated KCL)
The sum of the currents flowing into a point in a circuit is zero
This is just conservation of charge. Remember that current flow "into" a point is negative if the current is flowing out. now
Ohm's Law
There is a similar principle for electricity: Ohm's law, discovered by Georg Simon Ohm in the 1820's Ohm's law states that
The current through a resistive medium is proportional to the applied voltage
- Voltage equals current times resistance.
- Also stated, of course, as:
Here are a few approximate conductivities, in siemens per meter:
- Superconductors: infinity (because of complicated quantum-mechanical phenomena)
- Silver: 6 * 107
- Silicon: 2 * 10-3 (but, in semiconductor materials, it is "doped" with impurities, giving it a much higher conductivity)
- Glass: about 10-12
- Air: about 10-14
- Paraffin: about 10-17
- Teflon: about 10-23
Watt's Law
Watt's law, discovered by Watt in the 1820's, states that
the power through a resistive medium is proportional to the applied voltage
- Power equals current times voltage.
- Also stated, of course, as:
"I-squared-R" and Joule's law
One sometimes encounters phrases like "I-squared-R losses" in a wire. This is a combination of the power formula and Ohm's law.
Notice that the amount of power lost in a wire is proportional to the square of the current.
The phenomenon of heat being evolved when electricity passes through a conductor is sometimes called Joule's law. It's really just a consequence of conservation of energy and the equivalence of heat to other forms of energy.
Symbols and Abbreviations
The symbols used for quantities in electrical engineering can be confusing, since the symbol for a quantity may be different from the symbol for the units in which it is measured. We list the common symbols here, even though we have not yet defined all of the concepts involved.
Electrical charge
- is typically denoted , measured in coulombs, abbreviated .
Current
- is typically denoted , measured in amperes, abbreviated .
An ampere is, among other things, a coulomb per second.
- Example: Ohm's law; voltage equals current times resistance.
- Example: "" "The current is 28 milliamperes."
Voltage
- is typically denoted (or sometimes ), and measured in volts, abbreviated . The use of "" stands for "emf" (electro-motive force.)
A volt is, among other things, a joule per coulomb.
- Example: "" "The voltage is 28 millivolts."
Resistance
- is typically denoted , measured in ohms, abbreviated with the capital Greek omega: .
An ohm is, among other things, a volt per ampere.
- Example: "" "The resistance is 2.7 kilohms."
Conductance
- It is sometimes useful to speak of the reciprocal of resistance. This is called conductance, and is typically denoted , traditionally measured in "mhos" ("mho" is "ohm" spelled backwards), abbreviated with an upside-down omega: . A less flippant term than "mho" has been adopted: the siemens, abbreviated .
A mho/siemens is, among other things, an ampere per volt.
- Example: Ohm's law rewritten in terms of conductance.
- Example: "" "The conductance is 65 millimhos."
- Example: "" "The conductance is 65 millisiemens."
Capacitance
- is typically denoted , measured in farads, abbreviated .
A farad is, among other things, a second per ohm, or a coulomb per volt.
- Example: The time constant is the resistance times the capacitance.
- Example: "" "The capacitance is 75 picofarads."
Inductance
- is typically denoted , measured in henries, abbreviated .
A henry is, among other things, an ohm-second.
- Example: is the formula for the frequency of a resonant circuit.
- Example: "" "The inductance is 120 nanohenries."
Power
- is typically denoted , measured in watts, abbreviated .
A watt is, among other things, a joule per second, or a volt-ampere.
- Example: The power is the voltage times the current.
- Example: "" "The power is 75 watts."
The frequency
- of an oscillation or signal is typically denoted , measured in hertz, abbreviated .
A hertz is really just a reciprocal second. In fact, the unit of frequency used to be just "cycles per second" or simply "cycles".
- Example: "" "102.5 megacycles on the FM dial" (old way.)
- Example: "" "102.5 megahertz on the FM dial" (new way.)
It happens that, in a lot of the mathematical formulas the unit of radians per second is superior. A frequency in radians per second is times the frequency in hertz. When measured this way, the symbol is replaced with the lower-case Greek omega: . Many occurrences of disappear from various formulas when radians are used.
- Example: is the formula for the frequency of a resonant circuit, in radians per second.
- Example: is the formula for capacitive reactance, calibrated in hertz.
- Example: is the formula for capacitive reactance, calibrated in radians per second.
- Example: "" "644.0265 megaradians per second on the FM dial" (not known to have ever been announced.)
Static Electricity
Electricity manifests itself in two seemingly different ways. They are different manifestations of the same thing. "Static" electricity was known to the ancients. It involves very high voltages and very low currents—the currents are so low that one doesn't always realize how high the voltage is. In order for such high voltages to persist somewhere, the insulation must be extremely good, that is, the resistances must be extremely high. Fortunately for the history of science, materials like glass, amber, and some types of rubber and other materials, have the necessary high resistance. (The word "electricity" comes from the Greek word for amber.)
The voltages involved with static electricity are high enough to make the leaves of an electroscope move, but the currents are so low that we would normally not notice any effect of the current.
"Current" Electricity
"Current" electricity involves lower voltages and currents large enough to power light bulbs, motors, and such. Rubbing a glass rod with a piece of silk can't come anywhere near to providing the required level of sustained current. To get the required sustained levels of current requires either ongoing chemical reactions (as in a battery) or electromechanical devices (as in a generator.) The ability to do this was discovered in the 18th and 19th centuries by Luigi Galvani, Alessandro Volta and Michael Faraday.
The study of electronics and electrical engineering involve "current" electricity almost exclusively.
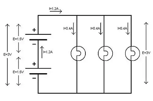
Series and Parallel Connections
The terms "series" and "parallel" are actually used quite loosely by electrical engineers, to describe aspects of circuit topology.
- Series connection
- Parallel connection
Schematic diagram showing series and parallel connections.
- 2 port network
How Are the Units Defined?
As one can tell from the connections among the electrical units and the physical units such as newtons, joules, and watts, a lot of care went into the design of the system of units. But how is the coulomb defined? Why is it equal to 6.241 x 1018 elementary charges?
The coulomb and volt are defined in terms of the ampere, so that a volt times an ampere equals a watt, that is, a newton-meter per second. And a coulomb is an ampere-second.
The ampere was determined experimentally, as follows: it is the amount of current flowing in each of two infinitely long and infinitely thin parallel wires separated by a distance of one meter that causes an attractive magnetic force of newtons per meter along the length of the wires. Why the factor of ? This was chosen to make the volt a reasonable quantity relative to the voltage coming out of batteries.
This definition of the units in terms of the magnetic force has the effect of defining the fundamental constant of the magnetic force, labeled , to be . The fundamental constant of the electric force, labeled , is related to this, according to the formula
where , the speed of light, was traditionally determined experimentally. [1]
The Next Lecture
For the next lecture, see Introduction to Electricity II.
Footnotes and References
- ↑ The constant , the speed of light, is now defined to be 299,792,458 meters per second. A second is officially defined in terms of a cesium clock and the meter is derived from that.